装配线选择 - 配置相关项参数

可以针对主物料或最终产品的装配使用装配线的子集。实际上,可以从装配线网络结构中排除未使用的供应线。可以通过装配线(较大通用装配线结构的一部分)的子集建立已配置最终产品的装配工序工艺流程基于已配置的主物料或最终产品的产品结构

在已配置的最终产品可以使用由不同供应线供应的两个可能子装配件之一的方案中,基于已配置主物料或最终产品的产品结构选择适当的工序或供应线。

注意

链接至装配线选定子集的工序材料包括在装配订单数据中。链接至所排除的装配线的工序和材料不包括在装配订单数据中。

示例

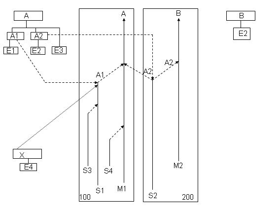
[...]
A物料 A,可以包含在 M1 上生产的物料 A1 或物料 A2
A1由装配线 S1 制造的物料 A1
A2由装配线 S2 制造的物料 A2
E1工程模块编号 1
E2工程模块编号 2
E3工程模块编号 3
M1主装配线编号 1
S4主装配线 M1 的供应线
S1为主装配线 M1 供应可选物料 A1 的供应线
S3S1 的供应线
X物料 X 是备件,也是由装配线 S1 制造的
E4与物料 X 相关的工程模块编号 4
100公司编号 100
S2为主装配线 M1 和 M2 供应可选物料 A2 的供应线
M2主装配线编号 2
200公司编号 200
B在 M2 上生产的物料 B,包含 A2

在此示例中,根据通用产品结构,当配置物料 A 时,物料 A1 或物料 A2 可以成为物料 A 产品结构的一部分。不能在物料 A 的产品变型中同时包括物料 A1 和物料 A2。这表示,供应线 S1(及其所有子层供应线)或供应线 S2(及其所有子层供应线)可以成为已配置物料 A 的装配订单数据的一部分。

对于物料 B 或物料 X 的装配,不需要供应线选择,因为其通用产品结构表示固定的装配线模型。因此,不管物料 B 或物料 X 的配置如何,均会包括并利用装配结构的所有装配线来生产物料 B 或物料 X。

注意
  • 物料 B 不是物料 A 通用产品结构的一部分。同样,物料 A 也不是物料 B 通用产品结构的一部分。
  • 物料 X 不属于物料 A 或物料 B 的通用产品结构。同样,物料 A 或物料 B 也不属于物料 X 的通用产品结构。
装配线建模

系统会根据已配置最终产品的产品结构选择适当的供应线。在示例中,已配置的最终产品 A 包含物料 A1 或物料 A2,这表示可以选择供应线 S1 或 S2。

重要事项!

只有在装配线 (tiasl1530m000) 进程中选中配置相关项复选框时,才能选择供应线。

注意

当装配线是装配模型中的下线装配线时,不会考虑配置相关项参数,因为下线装配线永远不能从装配订单数据中排除。

重要事项!

如果为已更新的装配线修改配置相关项参数,则不会将装配线状态重置为已修改,并且不会影响现有的装配订单。参数更改会影响生成已修改或新创建的产品变型或产品结构的装配线结构。

以下是与本例中物料 A 供应线有关的配置相关项参数的设置:

装配线 配置相关项设置
M1否(可配置物料 A 的下线装配线)
M2否(可配置物料 B 的下线装配线)
S1是(对于物料 A,S1 是可选装配线)(对于物料 X,它是下线装配线 - 无法排除)
S2是(对于物料 A,S2 是可选装配线)(对于物料 B,它是固定装配线 - 无法排除)
S3否(取决于 S1。如果包括或排除 S1,则会分别自动包括或排除 S3)
S4否(可配置物料 A 的固定装配线)

 

产品结构和供应线

作为产品结构定义的一部分,装配线的排除不仅基于配置相关项参数,而且也基于下列因素:

  • 必须定义在供应线上装配的物料与供应线之间的关系。
  • 在供应线上装配的物料必须在已装配最终产品的通用产品结构中定义。
注意

可以使用可配置物料装配线 (tiapl2500m000) 进程来定义在供应线上装配的物料与供应线之间的关系。

在我们的示例中,对于可配置物料 A 的通用产品结构,必须定义下列关系:

可配置物料装配线
物料 AM1
物料 A1S1
物料 A2S2

 

在示例中,虽然供应线选择不适用于可配置物料 B 和 X,但是必须定义下列关系,才能正确地确定这些物料的装配订单数据:

可配置物料装配线
物料 BM2
物料 XS1