生产订单提前期(转移批量)

在制造管理中,可以连续计划生产订单的工序。在这种情况下,必须先对订单的所有物料完成当前工序,才能开始下一道工序。但是,也可以采用半并行的方式计划生产订单的工艺流程工序,这意味着要将必须完成当前工序的物料的数量定义为下一道工序可以开始的时间点,该数量称作转移批量

要使用转移批量,请在生产计划 (tisfc0110m000) 详细进程中选中转移批量小于生产批量复选框,然后在转移批量字段中定义一个值。

如果使用转移批量,Infor ERP 计划生产订单提前期的方式将与连续计划工艺流程工序时有所不同。图 1-1 描述了 Infor ERP 在前移计划的情况下通过转移批量来计划工序时应用的方法。图 1-2 描述了 Infor ERP 在后移计划的情况下应用的方法。

注意

如果为上一道工序选中了固定期间复选框,则不能为当前工序选中转移批量小于生产批量复选框。当然,这在实践中也是不可能的:如果在烤箱中烘烤面包卷,所有面包卷在整个固定时段内必须处于烤箱中。

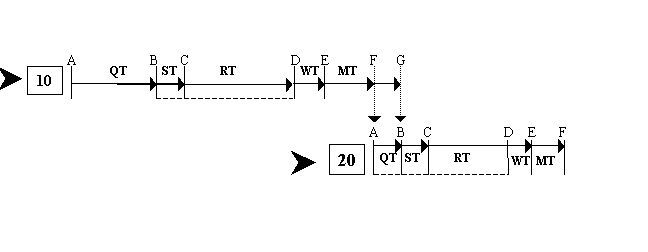
前移计划:正常情况
图 1-1
图 1-1
QT排队时间
ST准备时间
RT运行时间
WT等待时间
MT移动时间
A排队起始日期
B准备 + 运行起始日期
C准备 + 运行重新启动日期
D等待起始日期
E移动起始日期
F排队起始日期(下一道工序)
G准备 + 运行起始日期(下一道工序)

图 1-1 显示了正常计划的情况:在对整个生产批完成工序 10 的时间点开始工序 20。然而,实际情况并非总是如此简单。在以下各节中,我们将讨论如果长工序后跟短工序,并且希望使用转移批量,Infor ERP 将如何计划工序。

通过转移批量前移计划
图 1-2
图 1-2
QT排队时间
ST准备时间
RT运行时间
WT等待时间
MT移动时间
A排队起始日期
B准备 + 运行起始日期
C准备 + 运行重新启动日期
D完成的第一个转移批量
E等待起始日期
F移动起始日期
G排队起始日期(下一道工序)
H准备 + 运行起始日期(下一道工序)

图 1-2 以图形方式再现了一种前移计划的情况,其中定义了一个包括工序 10 和工序 20 的产品工艺流程,并为工序 10 定义了一个转移批量。

图 1-2 表明,Infor ERP 不能总是仅仅依据第一个转移批量移出工序 10 (D) 的时间点来计划工序 20 (G) 的起始点。图中显示,工序 20 的运行时间 (RT) 大大短于工序 10 的运行时间。斜箭头表明,如果 Infor ERP 在第一个转移批量可移出工序 10 之后即计划工序 20,就会出现冲突。它会暗示工序 20 在工序 10 终止之前已完成。很明显,这根本不可能。

为避免出现这种不切实际的计划,Infor ERP 的计划机制将执行以下校正步骤:

  1. 偏置最小生产结束日期 (I):为此,Infor ERP 会将工序 10 的下一道工序的排队起始日期考虑在内。Infor ERP 将工序 20 的一个转移批量(移出工序 10 的最后一个转移批量)从该日期向后偏置。这样将得到最小生产结束日期。
  2. 检查是否需要校正 (II):数字 II 表明 Infor ERP 必须执行校正步骤,因为工序 20 的等待起始日期 (E)(未校正时)早于上一步骤中出现的最小生产结束日期。很明显,等待起始日期必须与生产结束日期一致。
  3. 推迟工序 20 (III):步骤 2 的结果是肯定的,这意味着 Infor ERP 必须推迟工序 20,以使工序 20 的等待起始日期与生产结束日期一致。结果,Infor ERP 将向后偏置工序 20 的提前期要素,以确定工序 20 的起始日期和时间。
通过转移批量后移计划
图 1-3
图 1-3
QT排队时间
ST准备时间
RT运行时间
WT等待时间
MT移动时间
A排队起始日期
B准备 + 运行起始日期
C准备 + 运行重新启动日期
D完成的第一个转移批量
E等待起始日期
F移动起始日期
G排队起始日期(下一道工序)
H准备 + 运行起始日期(下一道工序)

图 1-3 以图形方式再现了一种后移计划的情况,其中定义了一个包括工序 10 和工序 20 的产品工艺流程,并为工序 10 定义了一个转移批量。

在向后计划的情况下,Infor ERP 将进行反方向偏置:已知生产活动的结束点,Infor ERP 需要计算出该生产活动必须何时开始,这意味着您必须由下至上查看图 1-3。

因此,从工序 20 的终止时间开始,Infor ERP 会偏置工序 20 和 10 的所有提前期,直到工序 10 的起始时间为止。图 1-2 表明这样计划工序 10(未校正工序 10)可能导致不切实际的计划情况:在本例中,工序 10 将在工序 20 完成后终止。

为避免出现这种不切实际的计划,Infor ERP 将执行以下步骤:

  1. 偏置上一道工序的最大允许结束日期 (I):为此,Infor ERP 会将一个转移批量(工序 20 的最后一个转移批量)的生产时间从工序 20 的等待起始日期 (E) 向后偏置。这样将得到工序 10 允许的最大允许结束日期。工序 10 的移动时间必须在此时间点终止,才能生成工序 20 的最后一个转移批量。
  2. 偏置上一道工序的计算结束日期 (II):为此,Infor ERP 会先从工序 20 的排队起始日期向后偏置工序 10 的移动时间和等待时间。然后,从第一个转移批量计划移出工序 10 (D) 的时间点开始,Infor ERP 将订单数量合计中减去一个转移批量的生产时间与等待时间和移动时间之和向前偏置。这样将得到工序 10 的计算结束日期。箭头的环状尾部列出了步骤 2 的过程。
  3. 检查是否需要校正 (III):Infor ERP 会将步骤 1 中得到的最大允许结束日期与步骤 2 中得到的计算结束日期进行比较。如果计算结束日期晚于最大允许结束日期,Infor ERP 将必须对工序 10 执行校正步骤。
  4. 将上一道工序提前 (IV):如果步骤 3 的结果是肯定的,Infor ERP 会将工序 10 提前至较早的时间,以重新排列该工序与工序 20,从而确保工序 10 (G) 的移动时间的末尾与步骤 1 中得到的最大允许结束日期一致。
注意

在上一节所述的解决方案中,Infor ERP 以连贯的方式计划生产订单的总提前期,这是对实际情况的一种简化。然而在实践中,较短的工序可以在第一批到达时直接开始,然后等待一小段时间,以便能够继续处理后面的批。但是,Infor ERP 在计划中不支持这种详细级别。