Seleção da linha de montagem — parâmetro Dependente da configuração

É possível usar um subconjunto das linhas de fornecimento para a montagem do item principal ou do item final. Efetivamente, é possível excluir as linhas de fornecimento não usadas a partir da estrutura da rede da linha de montagem. É possível criar uma rota para a montagem de um item final configurado por meio de um subconjunto de linhas de montagem que fazem parte de uma estrutura maior de linha de montagem genérica. O roteiro é baseado na estrutura de produto do item principal configurado ou do item final.

Em um cenário em que um item final configurado pode usar um dos dois possíveis subconjuntos fornecidos por diferentes linhas de fornecimento, uma rota adequada ou uma linha de fornecimento é selecionada com base na estrutura de produto do item principal configurado ou do item final.

Nota

As operações e o material vinculados ao subconjunto selecionado de linhas de montagem são incluídos nos dados de ordem de montagem. As operações e os materiais vinculados a linhas de montagem excluídas não são incluídos nos dados da ordem de montagem.

Exemplo

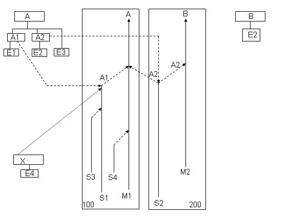
[...]
AItem A que pode conter o item A1 ou A2, produzidos em M1
A1Item A1 fabricado pela linha S1
A2Item A2 fabricado pela linha S2
E1Módulo de engenharia nº 1
E2Módulo de engenharia nº 2
E3Módulo de engenharia nº 3
M1Linha principal nº 1
S4Linha de fornecimento para a linha principal M1
S1Linha de fornecimento que fornece o item opcional A1 para a linha principal M1
S3Linha de fornecimento para S1
XItem X é peça sobressalente, também fabricada pela linha S1
E4Módulo de engenharia nº 4 relativo ao item X
100Companhia nº 100
S2Linha de fornecimento que fornece o item opcional A2 para as linhas principais M1 e M2
M2Linha principal nº 2
200Companhia nº 200
BItem B que contém A2, produzido em M2

Nesse exemplo, com base na estrutura de produto genérico, ao configurar o item A, o item A1 ou A2 pode se tornar parte da estrutura do produto para o item A. Não é possível incluir ambos os itens, A1 e A2, dentro de uma variante de produto do item A. Isso implica que a linha de fornecimento S1 (com todas as suas linhas de fornecimento de subnível) ou a linha de fornecimento S2 (com todas as suas linhas de fornecimento de subnível) pode se tornar parte dos dados da ordem de montagem para o item configurado A.

Para a montagem do item B ou X, nenhuma seleção de linha de fornecimento é necessária, visto que sua estrutura de produto genérico indica um modelo de linha de montagem fixa. Por conseguinte, independentemente da configuração do item B ou X, todas as linhas de montagem da estrutura de montagem são incluídas e utilizadas para a produção do item B ou X.

Nota
  • O item B não faz parte da estrutura de produto genérico do item A. Da mesma maneira, o item A não faz parte da estrutura de produto genérico do item B.
  • O item X não pertence à estrutura de produto genérico do item A nem do item B. Da mesma forma, nem o item A nem o item B pertencem à estrutura de produto genérico do item X.
Modelagem de linha de montagem

A linha de fornecimento apropriada é selecionada pelo sistema com base na estrutura de produto do item final configurado. No exemplo, o item final configurado A pode conter o item A1 ou A2, o que implica que a linha de fornecimento S1 ou S2 pode ser selecionada.

Importante!

Uma linha de fornecimento pode ser selecionada somente se a caixa de seleção Dependente da configuração estiver selecionada na sessão Linhas de montagem (tiasl1530m000).

Nota

Quando uma linha de montagem é a linha de saída em um modelo de montagem, o parâmetro Dependente da configuração não é considerado, porque uma linha de saída nunca pode ser excluída dos dados da ordem de montagem.

Importante!

Se você modificar o parâmetro Dependente da configuração para uma linha de montagem que é Atualizado, o status da linha não será redefinido para Modificado e as ordens de montagem existentes não serão afetadas. A alteração de parâmetro afeta a geração de estrutura de linha de montagem para variantes de produto ou estruturas de produto modificadas ou recém-criadas.

A seguir, apresentamos as configurações do parâmetro Dependente da configuração no que diz respeito às linhas de fornecimento do item A no exemplo:

Linha de montagemDefinição Dependente da configuração
M1Não (linha de saída do item configurável A)
M2Não (linha de saída do item configurável B)
S1Sim (para o item A, S1 é linha opcional) (para o item X, é uma linha de saída - não pode ser excluída)
S2Sim (para o item A, S2 é linha opcional) (para o item B, é uma linha fixa - não pode ser excluída)
S3Não (dependente de S1. Se S1 é incluído ou excluído, S3 é incluído ou excluído automática e respectivamente)
S4Não (linha fixa do item configurável A)

 

Estrutura de produto e linha de fornecimento

Como parte da definição de estrutura de produto, a exclusão da linha de montagem não é baseada somente no parâmetro Dependente da configuração, mas também nos seguintes fatores:

  • A relação deve ser definida entre o item montado na linha de fornecimento e a linha de fornecimento.
  • O item montado na linha de fornecimento deve ser definido na estrutura de produto genérico para o item final montado.
Nota

É possível usar a sessão Item configurável - Linha de montagem (tiapl2500m000) para definir a relação entre o item montado na linha de fornecimento e a linha de fornecimento.

Para a estrutura de produto genérico do item configurável A no nosso exemplo, as seguintes relações devem ser definidas:

Item configurávelLinha de montagem
Item AM1
Item A1S1
Item A2S2

 

No exemplo, embora a seleção da linha de fornecimento não se aplique aos itens configuráveis B e X, as seguintes relações devem ser definidas de forma a determinar corretamente os dados da ordem de montagem para os seguintes itens:

Item configurávelLinha de montagem
Item BM2
Item XS1