Auswahl der Montagelinie – der Parameter Konfigurationsabhängig

Sie können einen Ausschnitt der Zulieferlinien für die Montage des Hauptartikels oder des Endprodukts verwenden. Effektiv ist es möglich, die nicht verwendeten Zulieferlinien aus dem Montageliniennetzplan auszuschließen. Es ist möglich, die Montage eines konfigurierten Endprodukts über einen Ausschnitt der Montagelinien laufen zu lassen (s. Arbeitsplan), der Teil eines größeren, generellen Montagelinienaufbaus ist. Der Arbeitsplan hängt von der Produktstruktur des konfigurierten Hauptartikels oder Endprodukts ab.

In einem Szenarium, in dem eine von zwei möglichen Unterbaugruppen, die von unterschiedlichen Zulieferlinien bereitgestellt werden, in ein konfiguriertes Endprodukt eingebaut werden kann, wird ein geeigneter Arbeitsplan oder eine geeignete Zulieferlinie auf Basis der Produktstruktur des konfigurierten Hauptartikels oder des Endprodukts ausgewählt.

Hinweis

Mit dem gewählten Ausschnitt der Montagelinien verknüpfte Arbeitsgänge und Material sind in den Daten des Montageauftrags enthalten. Mit den nicht beteiligten Montagelinien verknüpfte Arbeitsgänge und Material sind in den Daten des Montageauftrags nicht enthalten.

Beispiel

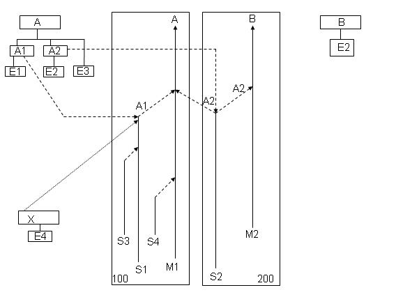
[...]
AArtikel A, der entweder Artikel A1 oder Artikel A2 enthalten kann und auf M1 gefertigt wird
A1Artikel A1, gefertigt auf Linie S1
A2Artikel A2, gefertigt auf Linie S2
E1Konstruktionsbaugruppe Nummer 1
E2Konstruktionsbaugruppe Nummer 2
E3Konstruktionsbaugruppe Nummer 3
M1Hauptlinie Nummer 1
S4Zulieferlinie für Hauptlinie M1
S1Zulieferlinie, die Hauptlinie M1 mit dem optionalen Artikel A1 versorgt
S3Zulieferlinie für S1
XArtikel X ist ein Ersatzteil, ebenfalls auf Linie S1 gefertigt
E4Konstruktionsbaugruppe Nummer 4, gehört zu Artikel X
100Firmennummer 100
S2Zulieferlinie, die die Hauptlinien M1 und M2 mit dem optionalen Artikel A2 versorgt
M2Hauptlinie Nummer 2
200Firmennummer 200
BArtikel B, der A2 enthält und auf M2 gefertigt wird

In diesem Beispiel kann auf Basis der generellen Produktstruktur bei der Konfiguration von Artikel A entweder Artikel A1 oder Artikel A2 zum Bestandteil der Produktstruktur von Artikel A werden. Es können nicht beide Artikel, A1 und A2, in einer Produktvariante für Artikel A enthalten sein. Das bedeutet, dass entweder Zulieferlinie S1 (mit allen untergeordneten Zulieferlinien) oder Zulieferlinie S2 (mit allen untergeordneten Zulieferlinien) Teil der Montageauftragsdaten für den konfigurierten Artikel A werden kann.

Für die Montage von Artikel B oder Artikel X braucht keine Zulieferlinie ausgewählt zu werden, da deren generelle Produktstruktur einen festen Montagelinienaufbau anzeigt. Daher sind unabhängig von der Konfiguration von Artikel B oder Artikel X alle Montagelinien des Montagelinienaufbaus bei der Produktion von Artikel B oder Artikel X enthalten und im Einsatz.

Hinweis
  • Artikel B ist kein Bestandteil der generellen Produktstruktur von Artikel A. Genauso ist Artikel A kein Bestandteil der generellen Produktstruktur von Artikel B.
  • Artikel X gehört weder zur generellen Produktstruktur von Artikel A noch von Artikel B. Genauso gehören weder Artikel A noch Artikel B zur generellen Produktstruktur von Artikel X.
Montagelinienmodellierung

Die geeignete Zulieferlinie wird vom System auf Basis der Produktstruktur des konfigurierten Endprodukts ausgewählt. In unserem Beispiel kann das konfigurierte Endprodukt entweder Artikel A1 oder Artikel A2 enthalten, daher kann entweder Zulieferlinie S1 oder Zulieferlinie S2 ausgewählt werden.

Achtung!

Eine Zulieferlinie kann jedoch nur dann ausgewählt werden, wenn im Programm Montagelinien (tiasl1530m000) das Kontrollkästchen Konfigurationsabhängig markiert wurde.

Hinweis

Wenn es sich bei einer Montagelinie um die Abgangsmontagelinie eines Montagelinienmodells handelt, wird der Parameter Konfigurationsabhängig nicht berücksichtigt, da die Abgangsmontagelinie immer in den Montageauftragsdaten enthalten sein muss.

Achtung!

Wenn Sie den Parameter Konfigurationsabhängig für eine Montagelinie ändern, die aktualisiert wird, wird der Linienstatus nicht auf Geändert zurückgesetzt und die vorhandenen Montageaufträge sind von der Änderung nicht betroffen. Die Parameteränderung wirkt sich nur bei der Generierung des Montagelinienaufbaus für geänderte oder neu angelegte Produktvarianten oder Produktstrukturen aus.

Im Folgenden finden Sie die Einstellung des Parameters Konfigurationsabhängig in Bezug auf die Zulieferlinien für Artikel A in unserem Beispiel:

MontagelinieEinstellung Konfigurationsabhängig
M1Keine (Abgangsmontagelinie für den konfigurierbaren Artikel A)
M2Keine (Abgangsmontagelinie für den konfigurierbaren Artikel B)
S1Ja (für Artikel A ist S1 eine optionale Linie) (für Artikel X eine Abgangsmontagelinie und kann daher nicht ausgeschlossen werden)
S2Ja (für Artikel A ist S2 eine optionale Linie) (für Artikel B eine feste Montagelinie und kann daher nicht ausgeschlossen werden)
S3Keine (abhängig von S1. Wenn S1 berücksichtigt oder ausgeschlossen wird, wird S3 automatisch ebenfalls berücksichtigt oder ausgeschlossen)
S4Keine (feste Linie für den konfigurierbaren Artikel A)

 

Produktstruktur und Zulieferlinie

Als Teil der Produktstrukturdefinition basiert der Ausschluss einer Montagelinie nicht allein auf dem Parameter Konfigurationsabhängig, sondern auch auf den folgenden Faktoren:

  • Es muss eine Beziehung definiert werden zwischen dem auf der Zulieferlinie montierten Artikel und der Zulieferlinie.
  • Der auf der Zulieferlinie montierte Artikel muss in der generellen Produktstruktur für das montierte Endprodukt definiert sein.
Hinweis

Um die Beziehung zwischen dem auf der Zulieferlinie montierten Artikel und der Zulieferlinie zu definieren, können Sie das Programm Konfigurierbarer Artikel - Montagelinie (tiapl2500m000) verwenden.

Für die generelle Produktstruktur des konfigurierbaren Artikels A in unserem Beispiel müssen die folgenden Beziehungen definiert werden:

Konfigurierbarer ArtikelMontagelinie
Artikel AM1
Artikel A1S1
Artikel A2S2

 

Obwohl die Auswahl der Montagelinie nicht für die konfigurierbaren Artikel B und X gilt, müssen in unserem Beispiel die folgenden Beziehungen definiert werden, um für diese Artikel die richtigen Montageauftragsdaten ermitteln zu können:

Konfigurierbarer ArtikelMontagelinie
Artikel BM2
Artikel XS1